Astounding Collections Of Cooling Fan Relay Wiring Diagram Photos
Pemeriksaan Electric Motor Fan Montirprocom via www.montirpro.com

3 Sd Fan Wiring Diagrams Electrical Busbar System via law.sistest.it

How To Wire An Electric Fan With An Ac Trinary Switch Youtube via www.youtube.com

Electric Cooling Fan Faq via www.bp-automotive.com

77 Lovely Electric Fan Relay Wiring Diagram Radiator Fan via www.pinterest.com

Buy Partssquare 175 185 Degree Electric Cooling Fan Thermostat Kit Temp Sensor Temperature Switch 40 50 60 Amp Relay Kit Online In Georgia B015r9avma via www.ubuy.ge

Wiring Diagram For Cooling Fan Relay via wiringdiagramall.blogspot.com

Automotive Cooling Wiring Diagram In 2021 Electric Radiator Fan via www.pinterest.com

Nissan Terrano Model R20 Series 2004 Manual Part 180 via www.zinref.ru

Diagram Radiator Fan Temp Switch Wiring Diagram Full Version Hd Quality Wiring Diagram Ardiagramriciclolio Lifeit via ardiagram.riciclolio-life.it

Automotive Electric Fans Gtsparkplugs via www.gtsparkplugs.com

Where Are My Instructions For My Fan Relay via shop.championcooling.com

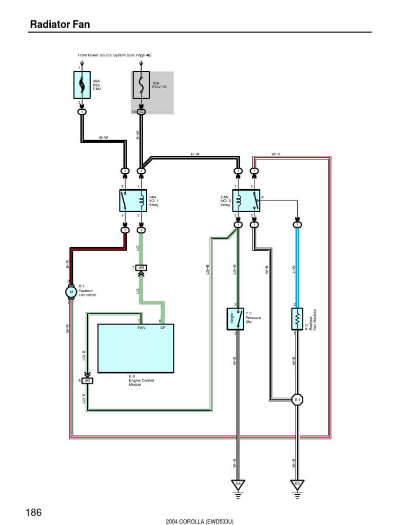
2004 Corolla Electrical Diagram Radiator Fan Electrical Components Engines via www.scribd.com

Electric Fan Wiring Diagram 36guide Ikuseinet via 36guide-ikusei.net

2004 Focus Cooling Fan Resistor Focus Fanatics Forum via www.focusfanatics.com

Diagram Radiator Fan Temp Switch Wiring Diagram Full Version Hd Quality Wiring Diagram Ardiagramriciclolio Lifeit via ardiagram.riciclolio-life.it
Astounding Collections Of Cooling Fan Relay Wiring Diagram Photos












Astounding Collections Of Cooling Fan Relay Wiring Diagram Photos
0 Response to "Astounding Collections Of Cooling Fan Relay Wiring Diagram Photos"
Post a Comment